Abrazadera para viga - Yale YC - 1.000 a 10.000kg
| Certificados | CE |
|---|---|
| Referencia | MET-Balkenklem Yale-10966 |
Abrazadera para viga - Yale YC - 1.000 a 10.000kg
Abrazadera para viga - Yale YC - 1.000 a 10.000kg
Sirve para crear rápidamente un punto de anclaje para equipos de elevación, poleas y cargas. El amplio rango de ajuste permite un manejo flexible.
El mecanismo del eje central permite una fácil fijación al portador con un ajuste firme y seguro. El eje se puede bloquear.
También se puede utilizar como pinza para la elevación o como punto de anclaje horizontal.
No es adecuado para levantar personas y nunca debe utilizarse para este fin.
Incluye un manual de instrucciones, el certificado de prueba (según EN 10204-2.1) y el informe de investigación antes de la puesta en servicio (Socotec).
![]() |
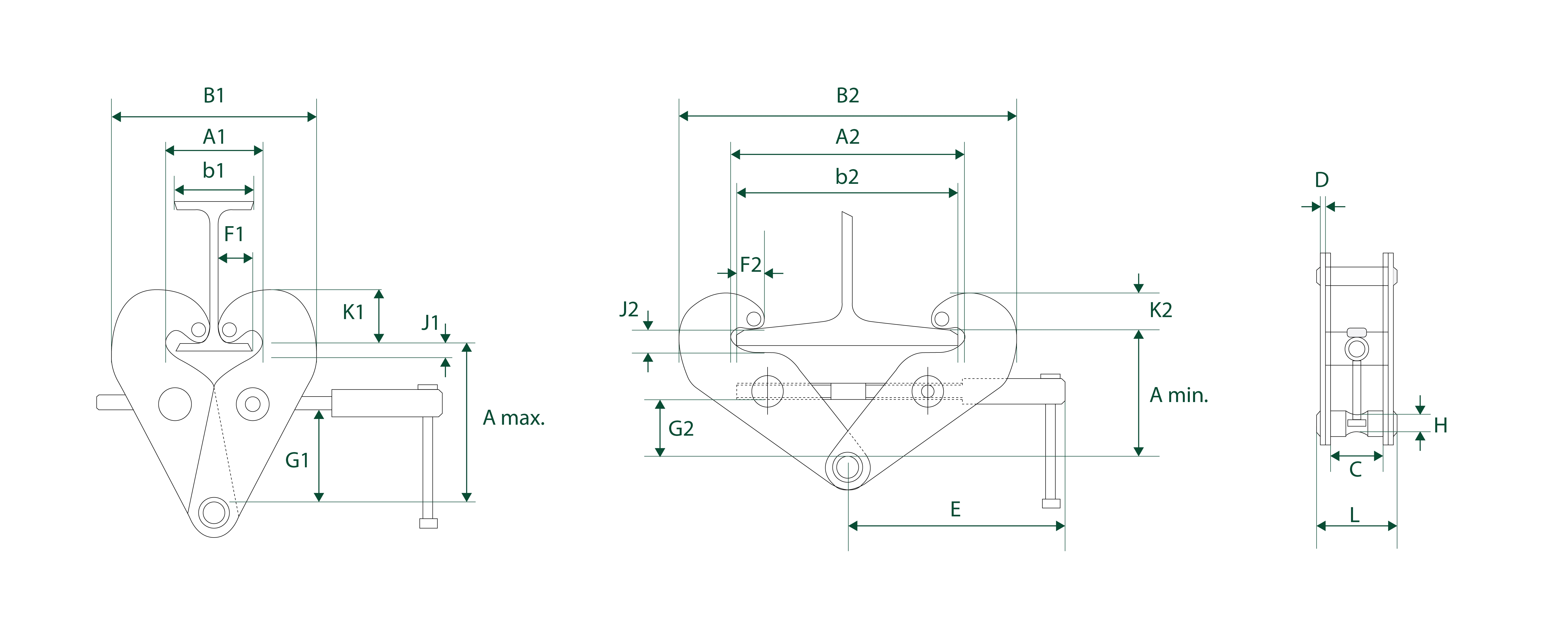
| Capaciteit | YC 1t | YC 2t | YC 3t | YC 5t | YC 10t |
| A min., mm | 115 | 115 | 180 | 180 | 175 |
| A max., mm | 150 | 150 | 225 | 225 | 220 |
| A1, mm | 78 | 78 | 80 | 90 | 90 |
| A2, mm | 246 | 246 | 320 | 310 | 320 |
| B1, mm | 186 | 186 | 232 | 242 | 268 |
| B2, mm | 350 | 350 | 455 | 445 | 480 |
| b1, mm | 75 | 75 | 80 | 90 | 90 |
| b2, mm | 230 | 230 | 320 | 310 | 320 |
| C, mm | 50 | 50 | 70 | 70 | 70 |
| D, mm | 4 | 6 | 8 | 10 | 14 |
| E, mm | 215 | 215 | 255 | 255 | 275 |
| F1, mm | 34 | 35 | 35 | 35 | 35 |
| F2, mm | 17 | 18 | 21 | 21 | 20 |
| G1, mm | 82 | 82 | 120 | 116 | 110 |
| G2, mm | 44 | 44 | 75 | 75 | 66 |
| H, mm | 20 | 20 | 22 | 28 | 38 |
| J1, mm | 14 | 14 | 30 | 30 | 34 |
| J2, mm | 21 | 21 | 34 | 34 | 35 |
| K1, mm | 48 | 50 | 60 | 60 | 60 |
| K2, mm | 31 | 32 | 40 | 42 | 40 |
| L, mm | 84 | 94 | 122 | 129 | 146 |
¿Pedido hoy antes de las 10? Se lo enviamos el mismo día. Entrega: 4-5 días laborables. ¿Lo combina con productos a medida? Enviamos todo junto en cuanto esté listo el trabajo a medida – así solo paga una vez los gastos de envío.


